
公称通径:DN50~500mm
公称压力:PN1.0~1.6MPa
适用介质:空气、海水、蒸汽、煤气、油品等
适用温度:≤80℃
工作温度:常温
连接形式:法兰
主要材质:铸铁,铸钢,不锈钢,青铜
概述特点
- 采用双偏心结构,具有越关越紧的密封功能,密封性能可靠。
- 密封副材料选用不锈钢和丁腈耐油橡胶配对,使用寿命长。
- 橡胶密封圈即可位于阀体上,也可以位于蝶板上,可适用不同特点的介质,供用户选择。
- 蝶板采用框架结构,强度高,过流面积大,流阻小。
- 整体烤漆、能有效地防止锈蚀且只要更换密封阀座密封材料,就可使用于不同介质。
- 本阀具有双向密封功能,安装时不受介质流向的控制,也不受空间位置的影响,可在任何方向安装。
- 本阀结构独特,操作灵活,省力,方便。
| 设计制造 | 连接法兰 | 检验与试验 |
|---|---|---|
| GB/T3037 | JB/T919 GB/T6070 CB/T64 | JB/T1079 JB/T6446 |
| 零件名称 | 阀体和蝶板 | 构件 | 密封垫(阀体、蝶板) |
|---|---|---|---|
| 材料 | 铸铁,铸钢,不锈钢,青铜 | 2Cr13 | 丁腈橡胶 |
| 不锈钢,青铜 | 不锈钢 | 丁腈橡胶/氟橡胶 |
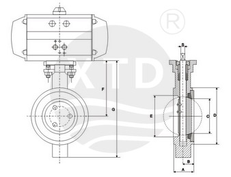
船用气动蝶阀广泛应用于船舶、舰艇、游轮及海洋工程管路系统,由于船舶和海洋工程上管路空间及环境的限制,普通蝶阀操作及环境无法全部满足和适应其需求。本产品体积小,占有空间有限,并可进行远程控制操作,还可以和遥控系统连接后进行远程遥控作业,如船上气源及电源出现失源状态时,该类产品同时可在就地进行蝶阀启闭工作,本产品资源采集简单方便(压缩空气),蝶阀启闭灵敏(启闭速度1-3秒钟),远程控制系统配有启闭状态信号显示,故障报警和低压报警等原件,还可通过接口接入微机进行远程控制操业。浦首产品有远程控制箱、控制按钮、气动驱动头、就地操作驱动机构,行程限位开关,阀体、蝶板、阀杆、座圈等部件组成,产品可提供符合ISO标准、JIS标准和GB标准和各种规格供用户选择。
船用双偏心型气动蝶阀GB/T3037-1994,生产标准:JIS日标、DIN德标、ANSI美标、GB国标、CB船标,公称通径DN50-DN500,公称压力PN6-PN16,法兰标准:GB596 GB2501 阀体材质:铸钢、球墨铸铁QT450、不锈钢SUS、青铜BZ,阀板材质:不锈钢SUS,青铜BZ,阀座:丁晴橡胶NBR、三元乙丙橡胶EPDM,氟橡胶FKM。


服务热线:



022-88527808

