
公称通径:DN50~350mm
公称压力:PN0.6~1.6MPa
适用介质:空气、海水、蒸汽、煤气、油品等
适用温度:≤80℃
工作温度:≤80℃
连接形式:法兰
主要材质:铸铁、铸钢、不锈钢铬、钼钢、合金钢
设计标准:GB/T3036-1994
法兰连接尺寸:GB/T9113.1-2000; GB/T9113.2-2000; GB/T9115.1-2000; GB/T9115.2-2000
压力试验:GB/T 13927-1992; JB/T 9092-1999
用途及特点
设计新颖,合理,结构独特,重量轻,操作方便,启闭迅速;
船用螺旋法兰式蝶阀除了能作调节和截流作用,补偿管道温差所产生的热胀冷缩功能外,还能为安装更换、维修提供方便;
密封部位可调节更换,密封性能可靠等特点。
采用标准
法兰连接尺寸:GB/T9113.1-2000; GB/T9113.2-2000; GB/T9115.1-2000; GB/T9115.2-2000
压力试验:GB/T 13927-1992; JB/T 9092-1999
主要技术参数
| 公称通径 | DN | 50~2000 | ||
|---|---|---|---|---|
| 公称压力 | PN | 0.6 | 1.0 | 1.6 |
| 试验压力 | 强度实验 | 0.9 | 1.5 | 2.4 |
| 密封实验 | 0.66 | 1.1 | 1.76 | |
| 气密封实验 | 0.6 | 0.6 | 0.6 | |
| 使用温度 | ≤80℃ | |||
| 适应介质 | 空气、海水、蒸汽、煤气、油品等 | |||
| 驱动形式 | 手动、蜗杆蜗轮传动、气传动、电传动 | |||
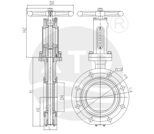
主要零件的材质
| 零件名称 | 材料 |
|---|---|
| 阀体 | 铸铁、铸钢、不锈钢铬、钼钢、合金钢 |
| 蝶板 | 铸钢、合金钢、不锈钢、铬钼钢 |
| 密封圈 | 橡胶、聚四氟、聚内脂、不锈钢 |
| 阀杆 | 2Cr13、不锈钢、铬钼钢 |
| 伸缩管 | 铸铁、铸钢、不锈钢、铬钼钢 |
| 填料 | 柔性石墨 |
船用螺旋法兰式蝶阀GB/T3036-94适用于船舶、医药、化工、石油、电力、轻纺、造纸等给排水、气体管道上作调节流量和截流介质的作用,具有补偿管道热胀冷缩的功能。
其主要特点为:
设计标准:GB/T3036-1994
船用中心型法兰螺旋式蝶阀,生产标准:国标GB/CB、日标JIS、美标ANSI、德标DIN、公称压力:5K、10K、16K、PN、6PN1、0PN16、ANSI150、LB300LB,公称通径DN50-DN1200,阀体材质:球墨铸铁QT450、铸钢ZG230-450、不锈钢SUS、青铜BZ,阀板:不锈钢SUS、青铜BZ,阀座:丁晴橡胶NBR,聚四氟乙烯:PTFE、三元乙丙橡胶EPDM、氟橡胶FKM。


服务热线:



022-88527808

