国标截止阀

产品型号:J41H/Y
公称通径:DN50~400 mm
压力范围:PN10~64 MPa
工作温度:-196℃~+600℃
驱动方式:手动、伞齿轮、电动
主体材质:碳钢、不锈钢、合金钢
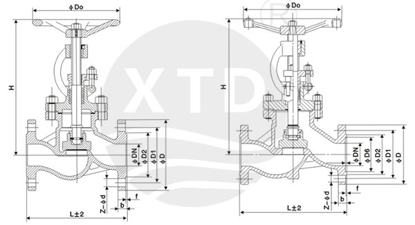
设计与制造:GB12235
结构长度:GB12221
法兰尺寸:GB9113 JB79
压力-温度:GB9131
试验-检验:GB/T13927 JB/T9092
公称通径:DN50~400 mm
压力范围:PN10~64 MPa
工作温度:-196℃~+600℃
驱动方式:手动、伞齿轮、电动
主体材质:碳钢、不锈钢、合金钢
设计与制造:GB12235
结构长度:GB12221
法兰尺寸:GB9113 JB79
压力-温度:GB9131
试验-检验:GB/T13927 JB/T9092
产品详情
一、国标截止阀介绍
国标截止阀属于强制密封式阀门,所以在阀门关闭时,必须向阀瓣施加压力,以强制密封面不泄漏。当介质由阀瓣下方进入阀门时,操作力所需要克服的阻力,是阀杆和填料的摩擦力与由介质的压力所产生的推力,关阀门的力比开阀门的力大,所以阀杆的直径要大,否则会发生阀杆顶弯的故障。近年来,从自密封的阀门出现后,法兰截止阀的介质流向就改由阀瓣上方进入阀腔,这时在介质压力作用下,关阀门的力小,而开阀门的力大,阀杆的直径可以相应地减少。同时,在介质作用下,这种形式的不锈钢气动阀门也较严密。
压力试验
| 公称压力 | 1.6 | 2.5 | 4.0 | 6.4 | 10.0 | 16.0 |
| 强度试验 | 2.4 | 3.8 | 6.0 | 9.6 | 15.0 | 24.0 |
| 水密封试验 | 1.8 | 2.8 | 4.4 | 7.4 | 11.0 | 18.0 |
| 上密封试验 | 1.8 | 2.8 | 4.4 | 7.04 | 11.0 | 18.0 |
| 气密封试验 | 0.4-0.7 | |||||
二、手动截止阀主要零件材料及性能
| 体盖扳 | 阀杆 | 密封面 | 垫片(环) | 填料 | 工作温度℃ | 适用介质 |
| WCB | 2Cr13 |
13Cr STL 本体材料 尼龙 |
增强柔性石墨 1Crl3/柔性石墨 08软钢 0Cr18Ni9Ti OCr18Ni12Mo2Ti |
柔性石墨 增强柔性石墨 SFB-260 SFP-260 |
≤425 |
水、蒸汽、油品 |
| WC1 |
38CrMoAI 25Cr2MoV |
≤450 | ||||
| WC6 | ≤540 | |||||
| WC9 | ≤570 | |||||
| ZGCr5Mo | ≤540 | |||||
| ZG1Cr18Ni9Ti | 1Cr18Ni9Ti | ≤200 | 硝酸类 | |||
| ZGCr18Ni12Mo2Ti | 1C18Ni12Mo2Ti | ≤200 | 醋酸类 |
下一个产品:美标铸钢截止阀
上一个产品:电动通风蝶阀


服务热线:






022-88527808

