电动法兰式硬密封蝶阀

产品型号:D943H
公称通径:DN50~2000mm
公称压力:PN0.6~2.5MPa
阀体材质:WCB、304、316
驱动方式:电动,气动、手动
设计标准:GB/T12238-1989
法兰连接尺寸:GB/T9113.1-2000;GB/T9113.2-2000 GB/T9115.1-2000;GB/T9115.2-2000
结构长度:GB/T12221-1989
压力试验:GB/T13927-1992;JB/T9092-1999
公称通径:DN50~2000mm
公称压力:PN0.6~2.5MPa
阀体材质:WCB、304、316
驱动方式:电动,气动、手动
设计标准:GB/T12238-1989
法兰连接尺寸:GB/T9113.1-2000;GB/T9113.2-2000 GB/T9115.1-2000;GB/T9115.2-2000
结构长度:GB/T12221-1989
压力试验:GB/T13927-1992;JB/T9092-1999
产品详情
一、电动法兰式硬密封蝶阀结构及性能简介
本产品由阀体、蝶板、密封圈、传动机构等主要部件组成。其结构采用三维偏心原理设计,弹性密封和硬软多层密封兼容的加工新工艺,使蝶阀在运行工作时,减少其扭矩力,达到省力,节能之功能。从而确保整体的抗腐蚀.耐高温.,抗靡损的可靠性。
二、电动法兰式硬密封蝶阀主要性能特点
1、结构独特、型小轻便、操作灵活、省力、方便;
2、密封可靠,可达到气密封无泄漏;
3、流量特性趋于直线调节性有最佳;
4、采用三偏心原理,使密封面近似零靡损延长了阀门的使用寿命;
5、应用范围广。如:可用于水、蒸气、油品、空气、煤气等介质。
6、适用不同温度及6.4MPa以下的压力等级,耐腐蚀等各种介质管线。
三、电动法兰式硬密封蝶阀用途
本蝶阀适用于食品、医药、石油化工、电厂、钢厂、工业环保水处理及高层建筑、供排水管道上作调节流量和截断流体最佳装置。
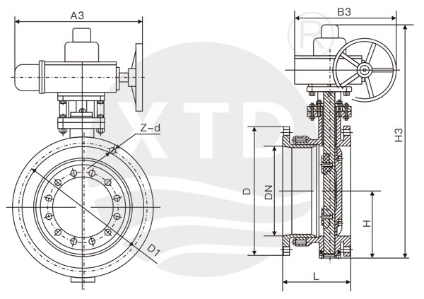
四、主要连接及外形尺寸 PN0.6,1.0MPa
主要连接及外形尺寸 PN1.6,2.5MPa
下一个产品:电动对夹式多层次金属硬密封蝶阀
上一个产品:电动法兰式软密封蝶阀


服务热线:




022-88527808

